Зарегистрируйтесь и о Вас узнают потенциальные клиенты!

Клапан обратный Н05.355

До: 26.12.2022

Клапан обратный Н05.355

Рубрика: Промышленные товары

Описание

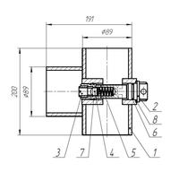
Клапан обратный Н05.355 встроенный незамерзающий предназначен для перепуска рабочей среды из затрубья в рабочее пространство устьевого оборудования нефтяных, газовых и нагнетательных скважин. Устанавливается в линию затруба, либо на пересечении линии затруба и выкида. Запорный орган клапана выполнен из нержавеющей стали. Клапан Н05.355 предназначен для эксплуатации в климатических условиях УХЛ категории размещения 1 по ГОСТ 15150-69.

 

Рабочая среда нефть, вода, газ. Рабочая температура окружающей среды от -60°С до +40°С. Температура рабочей среды 120 ºС.  Рабочее давление 21 Мпа. Давление срабатывания клапана 0,4…0,5Мпа. Присоединительные размеры под приварку по ГОСТ 16037-80. Клапан состоит из сварного корпуса 1, в бобышках которого расточено отверстие под установку непосредственно самого обратного клапана, состоящего из ввертыша 2, держателя седла 3, пары 4 «седло-шарик», клапанной пружины 5, уплотнительных колец 6;7 и прокладки 8. 

Поставщик

Организация: НПП Обуховская промышленная компания
Телефон: +7 (831) 295-50-61
Адрес:

Ваша компания

Зарегистрируйтесь и о Вас узнают потенциальные клиенты!
Cообщить о неточности
Карта сайта →
Финансы
Разделили бизнес, а налоговая попыталась сложить его обратно
Банки
Лизинг
Инвестиции
Страхование
Господдержка
Помощь бизнесу
1. Открыть бизнес
2. Выбор помещения
3. Эффективная реклама
4. Подбор аутсорсинга
5. Господдержка
6. Уплата налогов
7. Поиск кадров
8. Юридическая помощь
Организации
Добавить свою
Новости компаний
Товары и услуги
Добавить товар
Добавить услугу
Тендеры
Обучение
Центры проф. обучения
Новости
О портале
Возможности сайта
Реклама на сайте
Контактная информация
Ваш кабинет
Зарегистрируйтесь и о Вас узнают потенциальные клиенты!
© 2009—2026  Единый республиканский бизнес-портал
О портале | Контактная информация | Реклама на портале | Правила пользования |
Сделано в «Техинформ» Уфа
Информация на сайте не является публичной офертой